|
|
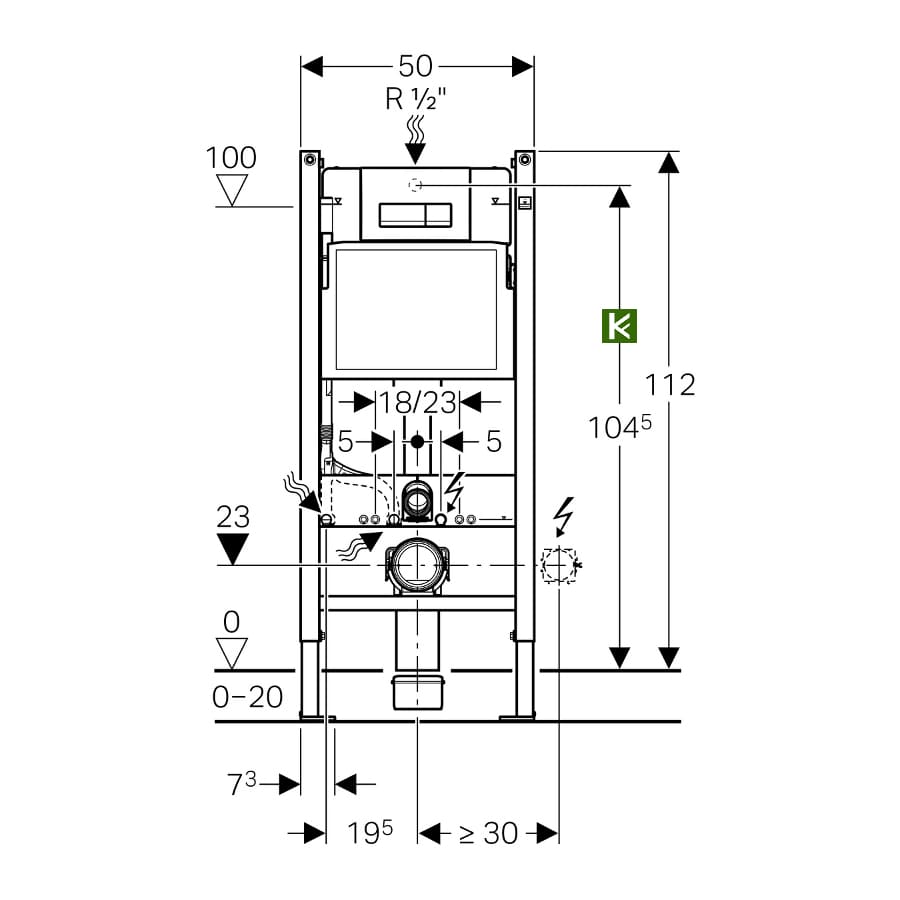
Инсталляция Geberit Duofix для подвесного унитаза, 112 см, с бачком Delta 12 см, клавиша Delta51, хром
Инсталляция Geberit Duofix 458.125.21.1 UP100 для подвесного унитаза 4 в 1
| Характеристики |
: |
| Товар |
инсталляция для унитаза |
| Назначение |
для подвесного унитаза |
| Серия |
UP100 |
| Модель |
Duofix Платтенбау |
| Производитель |
Geberit (Геберит) |
| Страна |
Швейцария |
| Артикул |
458.125.21.1 |
| Подвод воды |
сверху бачка |
| Присоединительный размер |
R 1/2" |
| Температура рабочей среды |
до +25°C |
| Рабочее давление |
от 0,1 до 10 бар |
| Цвет |
белый, синий |
| Цвет смывной клавиши |
глянцевый хром |
| Материал |
сталь 2 мм |
| Диапазон настройки большого объёма воды для смыва |
4,5 / 6 / 7,5 л |
| Диапазон настройки малого объёма воды для смыва |
3 / 4 л |
| Заводская установка объёма воды для смыва |
6 и 3 л |
| Межосевое расстояние под крепёж |
18, 23 см |
| Ширина |
50 см |
| Высота |
112 см |
| Глубина |
12 см |
| Описание |
: |
|
Инсталляция Geberit Duofix 458.125.21.1 UP100 для подвесного унитаза 4 в 1 из серии UP100,
112 см, в комплекте с бачком Delta 12 см и клавишей Delta51. Монтируется в капитальную стену, перед стояком водоснабжения.
Конструкция:
- В комплект входит клавиша смыва серии Delta 51 с двумя кнопками смыва: на малый и большой смыв. Цвет - глянцевый хром.
- Монтажная рама изготовлена из стали 2 мм с антикоррозийным покрытием снаружи и внутри.
- Разработана специально для монтажа в типовом санузле, но может быть установлена в любых условиях.
- Монтажная планка имеет две высоты установки и продольные проточки для крепежа шпилек в различных положениях.
- Бесшовный бачок и патрубок являются единым целым. Внутри бачка нет металлических деталей, соприкасающихся с водой. Оболочка из пенопласта препятствует образованию конденсата.
- Ножки с бесступенчатой регулировкой позволяют установить сантехнику на комфортной высоте.
- Самонесущая pама с порошковой окраской.
- Настенный монтаж с варьируемым положением для встраивания перед стояками, глубина 13–50 см.
- Рама открытая сверху.
- Рама с отверстиями ø 9 мм для крепления в деревянном каркасе.
- Рама с установочными отверстиями для стенных анкеров Geberit Duofix для элементов с открытой сверху рамой.
- Рама подготовлена для крепления крепежных скоб для установки нестандартного санфаянса.
- Стойка оцинкованная.
- Стойки с возможностью перемещения 0–20 см.
- Опорные площадки пластиковые.
- Глубина опорных площадок подходит для монтажа в U-образные профили UW 50.
- Смывной бачок скрытого монтажа с фронтальной установкой.
- Смывной бачок скрытого монтажа с противоконденсатной оболочкой.
- При заводской установке возможен немедленный последующий смыв.
- Подвод воды сзади или сверху по центру.
- Оснащен трубкой подвода воды для подсоединения унитазов-биде Geberit AquaClean.
- С возможностью крепления для электропитания.
Область применения:
- Для фронтальной установки
- Для управления смывными клавишами типа Delta
- Для монтажа в гипсокартонные стены на высоту рамы или по высоте помещения перед капитальной либо гипсокартонной стеной
- Для унитазов с межосевым расстоянием под крепежные шпильки 18 см или 23 см
- Для подсоединения Geberit AquaClean
- Для крепежа в пол (0 - 20 см).
Комплектация:
- Смывная клавиша Geberit Delta 51 (115.105.21.1)
- Стойки
- 2 резьбовые шпильки М12 для крепления санфаянса
- Монтажная коробка для окна обслуживания из полистирола
- Угловой запорный вентиль R 1/2 с кольцом-адаптером, совместимый с MeplaFix
- Крепление для стока
- Комплект манжет ш 90 мм
- Фановый отвод для унитаза, ПНД, ш 90/90 мм
- Адаптер, ш 90/110 мм
- Две защитные заглушки
- Крепежные элементы.
|
Недорого купить инсталляцию Geberit и другие Европейские детали
для водяных теплых полов, отопления, водоснабжения и канализации.
Полипропиленовых труб, медных, радиаторов, котлов, бойлеров.
Вы можете в нашем интернет магазине kermi-fko.ru
Постоянным и оптовым клиентам - скидки и бонусы!
Инсталляция Geberit Duofix в Москве с доставкой по всей России.
Мы всегда поможем подобрать оптимальные цены и материалы.
Пришлите любые данные на почту kermi-fko@mail.ru
или позвоните по тел. 8-495-120-02-44.
Товар добавлен в корзину
В корзине позиций товара на сумму
|
|
Знаете ли Вы что:
|
|
известные Европейские бренды
|
|
не разрешают показывать всем
|
|
на сайтах реальные скидки.
|
|
Чтоб узнать реальные скидки
|
|
от Вас нужен звонок или письмо
|
|
тел. +7(495)-120-02-44
|
|
почта kermi-fko@mail.ru
|
|
только так можно увидеть их.
|

Мы официальные дилеры Rehau (Рехау)
|
Нужна помощь в расчете?
|
|
Ответим на все вопросы
|
|
Бесплатно рассчитаем
|
|
почта kermi-fko@mail.ru
|
|
тел +7(495)120-02-44
|
|
Доставка по России!
|
|