|
|
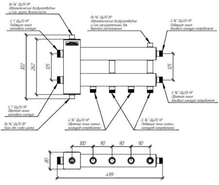
Коллектор с гидрострелкой Gidruss BMKSS-60-3D на 3 контура (гребенка с гидравлическим разделителем)
Коллектор Gidruss BMKSS-60-3D на 3 контура
| Характеристики |
: |
| Товар |
коллектор отопления (гребенка) |
| Тип |
котловой |
| Назначение |
для систем отопления |
| Исполнение |
компактное |
| Монтаж |
настенный |
| Материал |
нержавеющая сталь |
| Бренд (производитель) |
Gidruss (Гидрусс) |
| Страна |
Россия |
| Артикул |
18 0K602 10 |
| Серия |
BMKSS-60 |
| Модель |
BMKSS-60-3D |
| Количество контуров |
3 |
| Цвет |
серый |
| Диаметр |
DN 25 |
| Подключение к контуру |
3/4" НР |
| Подключение к котлу |
1" НР |
| Подключение воздухоотводчика |
1/2" ВР |
| Подключение сливного крана |
1/2" ВР |
| Максимальный расход |
2,6 м³/ч |
| Мощность |
60 кВт |
| Рабочая температура |
110 ºС |
| Рабочее давление |
6 бар |
| Направление выходов контуров |
2 вверх, 1 вбок |
| Теплоизоляция |
нет |
| Гидравлический разделитель |
есть |
| Настенный крепеж |
есть |
| Сепаратор |
есть |
| Межосевое расстояние |
125 мм |
| Высота |
302 мм |
| Ширина |
80 мм |
| Длина |
498 мм |
| Описание |
: |
- Коллектор с гидрострелкой (гребенка с гидравлическим разделителем) Gidruss BMKSS-60-3D предназначен для балансировки гидродинамических параметров системы отопления, исключая взаимное влияние насосов друг на друга.
- Коллекторы с гидравлической стрелкой распределяют теплоноситель по контурам и защищают теплообменник котла от гидроударов.
- Распределительные коллекторы (гребенки) Гидрусс для индивидуальных систем отопления имеют встроенный сепаратор, который повышает эффективность удаления воздуха и очищения теплоносителя от механических примесей (шлама).
|
 |
Недорого купить коллекторы Gidruss и другие Европейские детали
для водяных теплых полов, отопления, водоснабжения и канализации.
Полипропиленовых труб, медных, радиаторов, котлов, бойлеров.
Вы можете в нашем интернет магазине kermi-fko.ru
Постоянным и оптовым клиентам - скидки и бонусы!
Коллектор Гидрус для отопления дома с доставкой по всей России.
Мы всегда поможем подобрать оптимальные цены и материалы.
Пришлите любые данные на почту kermi-fko@mail.ru
или позвоните по тел. 8-495-120-02-44.
Товар добавлен в корзину
В корзине позиций товара на сумму
|
|
Знаете ли Вы что:
|
|
известные Европейские бренды
|
|
не разрешают показывать всем
|
|
на сайтах реальные скидки.
|
|
Чтоб узнать реальные скидки
|
|
от Вас нужен звонок или письмо
|
|
тел. +7(495)-120-02-44
|
|
почта kermi-fko@mail.ru
|
|
только так можно увидеть их.
|

Мы официальные дилеры Rehau (Рехау)
|
Нужна помощь в расчете?
|
|
Ответим на все вопросы
|
|
Бесплатно рассчитаем
|
|
почта kermi-fko@mail.ru
|
|
тел +7(495)120-02-44
|
|
Доставка по России!
|
|